关于我们

U型玻璃幕墙为什么越来越受到业主欢迎和建筑设计师青睐

2020-10-27 15:27

U型玻璃幕墙之所以受到业主欢迎和建筑设计师青睐,是因为其具有以下特点。

1603783904121536.jpg

1、U型玻璃的传热系数较低有良好的隔热保温性能。

2、经济性:采用连续压延法成型的玻璃型材,使建筑玻璃由板材发展到型材,所以其综合成本相对较低。

3、绿色环保:U型玻璃的透光率较高,应用于厂房等公共建筑时,既节约建筑物室内照明费用,又兼有人性化的工作环境。而且U型玻璃可采用回收碎、废玻璃再生产,保护了环境。

4、安装施工简便快捷:直接可以作为幕墙的主受力构件,相对于普通玻璃幕墙,省去了大量龙骨等附件,制作安装简便快捷,大大缩短了工期。

5、既有非透明线幕墙的稳重感,厚重感,又有玻璃幕墙的惊喜感、灵巧感,装饰效果极佳。

6、防火性能好,几乎无放射性,减少光污染,环保性好。

7、U型玻璃幕墙无色差,且颜色多样。可构造成全玻幕墙,由于U型玻璃吸水率低,因此没有吸尘、吸水、吸油的特点。

构造要求

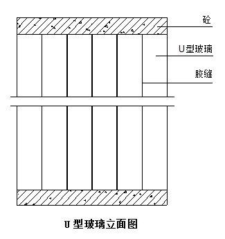
U型玻璃幕墙的构造方式相对较多,可以采用单排构造(单排相互贴合、单排榫型结构相互贴合、榫型结构相互咬合),也可采用双排构造(双排对缝、双排错缝、翼对翼横向排列等)。单排构造造价较低,但其隔声性能和热工性能较差,所以有这方面要求是,建议采用双排构造。

1f820000ecdb90deb5fb.jpg

采用U型玻璃构造曲形墙时,对底宽260mm的U型玻璃,墙体的半径不应小于2000mm;对底宽330的U型玻璃,墙体半径不应小于3200mm;底宽500mm的,墙体半径不应小于7500mm。

1dc80004e81ee44a5661.jpg

U型玻璃墙四周结构框体可采用铝型材或钢型材,并与主体结构可靠牢固,U型玻璃下端应各自独立支撑在均匀弹性的衬垫上,在其上端与建筑构建之间应留不小于25mm缝隙,U型玻璃之间和U型玻璃墙周边应采用弹性密封材料密封。

1f7d0000f861c8e16db0.jpg


更多U型玻璃资讯或采购,可联系祥捷玻璃